Products
CMT8263W0 replaces ADuM263N0BRIZ . 5.0 kV RMS, 6-Channel Digital Isolators

ADuM263N0BRIZ
FEATURES

High common-mode transient immunity: 100 kV/µs

High robustness to radiated and conducted noise

Low propagation delay

13 ns maximum for 5 V operation

15 ns maximum for 1.8 V operation

150 Mbps maximum guaranteed data rate

Safety and regulatory approvals

UL recognition: 5000 V rms for 1 minute per UL 1577

CSA Component Acceptance Notice 5A 

VDE certificate of conformity 

DIN V VDE V 0884-11:2017-01

VIORM = 849 V peak

CQC certification per GB4943.1-2011

Low dynamic power consumption

1.8 V to 5 V level translation

High temperature operation: 125°C

Fail-safe high or low options

16-lead, RoHS-compliant, wide body SOIC_IC package

General-purpose multichannel isolation

Serial peripheral interface (SPI)/data converter isolation

Industrial field bus isolation

CMT8263W0
FEATURES

 Safety-related certifications 

• DIN VDE V 0884-11: 2017-01

• UL 1577 component recognition program

• CSA certification according to IEC 60950-1, IEC 

62368-1, IEC 61010-1 and IEC 60601-1 end 

equipment standards

• CQC approval per GB4943.1-2022

• TUV certification according to EN 60950-1, EN 

62368-1 and EN 61010-1

 Robust electromagnetic compatibility

• System-level ESD, EFT, and surge immunity

• ±8 kV IEC 61000-4-2 contact discharge protection 

across isolation barrier

• Low emissions

 Data rate: up to 150 Mbps

 Wide supply range: 2.5 to 5.5 V

 Operation temperature: -40°C to 125°C

 Robust isolation barrier

• More than 40-year projected lifetime

• Up to 5 kVRMS isolation rating

• Up to 8 kV surge capability

• ±250 kV/μs typical CMTI

 Default output high and low options

 Low power consumption, typical 1.5 mA per channel at 

1 Mbps

 Low propagation delay: 9 ns typical (5V supplies)

 SOIC 16 package (wide body and narrow body)

 Industrial automatic control

 New energy vehicles

 Solar inverters

 Motor control

 Isolated SPI

 General purpose multichannel isolation

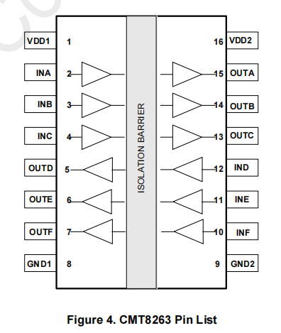
PIN CONFIGURATION
PIN CONFIGURATION
DATASHEET DOWNLOAD
DATASHEET DOWNLOAD